CoolIT A.L.C. Vantage: Kit liquido alla portata di tutti - Dimensioni ed ingombri nel dettaglio

Indice articoli

Dimensioni ed ingombri nel dettaglio:

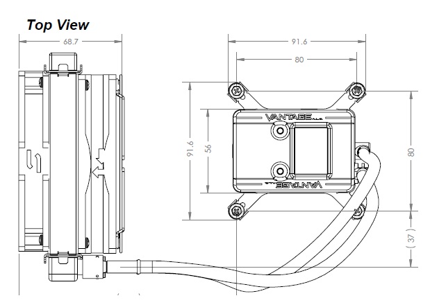
Riportiamo gli ingombri nel dettaglio del modello A.L.C. VANTAGE, in questo modo possiamo vedere tutte le dimensioni necessarie di occupazione del kit liquido All-in-one:

dimensioni dimensioni2

dimensioni3 dimensioni4

Come è facilmente intuibile le dimensioni effettive del kit liquido proposto da CoolIT sono estremamente contenute, il corpo unico waterblock-pompa ci appare molto ben realizzato, e tutto è studiato per ridurre al minimo gli ingombri e poter installare il kit con estrema facilità, seguendo semplicemente le indicazioni contenute nel manuale d'uso. Il peso molto contenuto permette di superare molte difficoltà tecniche, come l'elevata sollecitazione su pcb della scheda madre, fatto da non sottovalutare assolutamente.

 

Corsair